价格:
行业分类:机械及行业设备/阀门/流量控制阀
产品类别:
品 牌:
规格型号:
库 存:
生 产 商:
产 地:中国福建省厦门市

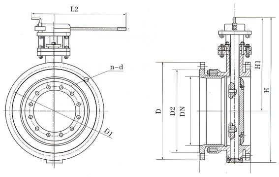
S41X/S43H手动伸缩蝶阀@德国NOOK诺克具有自动补偿管道热胀冷缩方便装卸的功能,使用于温度在425℃以下,公称压力在1.6MPa以下的石油、化工、电力、造纸、给排水和市政建设等工业管道上作调节流量和载断流体的装置。
1、结构独特,设计灵活,重量轻,省力,启闭迅速。
2、手动伸缩蝶阀不仅能补偿管道温差缩产生的热胀冷缩的功能,还能为维修阀门安装更换提供方便。
3、密封部位可调节更换,密封性能可靠。
| 工作压力(MPa) | 0.6 | 1.0、1.6、2.5 | ||
| 适用温度(℃) | 橡胶密封≤80℃ | 适用温度(℃) | 金属硬密封≤425℃ | |
| 适用介质 | 水、污水、油品、空气等 | 适用介质 | 水、蒸汽、污水、油品、空气等 | |
| 材料 | 阀体 | 灰铸铁 | 铸钢、不锈钢 | 球墨铸铁 |
| 蝶板 | 球墨铸铁(表面处理) | 球墨铸铁、不锈钢 | 球墨铸铁 | |
| 阀杆 | 2Cr13 | 不锈钢、碳素钢 | 铬不锈钢 | |
| 公称通径 | N(mm) | 50~2200 | ||
| 公称压力 | PN(MPa) | 0.6 | 1.0 | 1.6 |
| 试验压力 | 强度试验 | 0.9 | 1.5 | 2.4 |
| 密封试验 | 0.66 | 1.1 | 1.76 | |
| 气密封试验 | 0.6 | 0.6 | 0.6 | |
| 适用温度 | ≤80℃~425℃ | |||
| 适用介质 | 空气、水、蒸气、煤气、油品等。 | |||
| 驱动形式 | 手动、蜗杆蜗轮传动、气传动、电传动。 | |||

| 公称通径 | 外形尺寸(参考值) | 法兰尺寸和螺栓尺寸(标准值) | |||||||||||||||||
| H | H1 | 设计最大长度L | 设计最小长度L | 设计藏毒L | L2 | 0.6MPa | 1.0MPa | 1.6MPa | |||||||||||
| 毫米 | 英寸 | 1 | 2 | n-d | 1 | 2 | n-d | 1 | 2 | n-d | |||||||||
| 50 | 2 | 325 | 240 | 163 | 138 | 151 | 265 | 140 | 110 | 88 | 4-14 | 165 | 125 | 99 | 4-18 | 165 | 125 | 99 | 4-18 |
| 65 | 21/2 | 340 | 250 | 188 | 152 | 170 | 265 | 160 | 130 | 108 | 4-14 | 185 | 145 | 118 | 4-18 | 185 | 145 | 118 | 4-18 |
| 80 | 3 | 355 | 255 | 192 | 162 | 177 | 320 | 190 | 150 | 124 | 4-18 | 200 | 160 | 132 | 8-18 | 200 | 160 | 132 | 8-18 |
| 100 | 4 | 400 | 275 | 215 | 175 | 205 | 320 | 210 | 170 | 144 | 4-18 | 220 | 180 | 156 | 8-18 | 220 | 180 | 156 | 8-18 |
| 125 | 5 | 435 | 300 | 230 | 185 | 215 | 340 | 240 | 200 | 176 | 8-18 | 250 | 210 | 184 | 8-18 | 250 | 210 | 184 | 8-18 |
| 150 | 6 | 455 | 310 | 240 | 196 | 225 | 390 | 265 | 225 | 199 | 8-18 | 285 | 240 | 211 | 8-22 | 285 | 240 | 211 | 8-22 |

| N | L | L1 max | A | B | F | J | o | ||
| 50 | 160 | 172 | 83 | 120 | 90 | 205 | 83 | 115 | 200 |
| 65 | 160 | 172 | 89 | 145 | 90 | 205 | 83 | 115 | 200 |
| 80 | 180 | 195 | 98 | 158 | 90 | 205 | 83 | 115 | 200 |
| 100 | 195 | 215 | 110 | 170 | 90 | 205 | 83 | 115 | 200 |
| 125 | 205 | 225 | 123 | 182 | 90 | 205 | 83 | 115 | 200 |
| 150 | 205 | 225 | 140 | 210 | 90 | 205 | 83 | 115 | 200 |
| 200 | 218 | 238 | 170 | 238 | 90 | 205 | 83 | 115 | 200 |
| 250 | 233 | 258 | 195 | 270 | 90 | 205 | 83 | 134 | 250 |
| 300 | 248 | 268 | 222 | 300 | 90 | 205 | 83 | 134 | 250 |
| 350 | 278 | 303 | 252 | 330 | 120 | 265 | 141 | 159 | 250 |
| 400 | 298 | 323 | 285 | 368 | 120 | 265 | 141 | 159 | 250 |
| 450 | 311 | 336 | 310 | 402 | 185 | 250 | 115 | 163 | 250 |
| 500 | 330 | 355 | 337 | 438 | 185 | 250 | 115 | 163 | 315 |
| 600 | 350 | 375 | 393 | 490 | 245 | 400 | 145 | 185 | 315 |
| 700 | 364 | 395 | 450 | 558 | 245 | 400 | 145 | 185 | 315 |
| 800 | 415 | 445 | 515 | 625 | 310 | 460 | 191 | 220 | 315 |
| 900 | 435 | 475 | 560 | 685 | 310 | 460 | 191 | 220 | 400 |
| 1000 | 510 | 550 | 610 | 750 | 410 | 55 | 270 | 255 | 400 |
| 1200 | 590 | 630 | 825 | 880 | 410 | 55 | 270 | 255 | 400 |
| 1400 | 590 | 630 | 840 | 987 | 520 | 640 | 351 | 320 | 400 |
| 1600 | 626 | 660 | 960 | 1158 | 520 | 785 | 440 | 335 | 630 |
| 1800 | 670 | 710 | 1060 | 1258 | 520 | 640 | 351 | 320 | 400 |
| 2000 | 680 | 720 | 1165 | 1365 | 520 | 640 | 351 | 320 | 400 |
| 2200 | 700 | 740 | 1325 | 1470 | 520 | 640 | 351 | 320 | 400 |
1、安装前必须平放,切勿随意磕碰,运行时严禁将支架卸掉。
2、出厂时结构长度为最小长度,安装时,拉至安装长度(即设计长度)。
3、当管道间长度超过伸缩阀安装长度时,请调整管道间隔,切勿强行拉伸缩蝶阀,以免损坏蝶阀。
4、可在任意安装,做温度补偿用时,在管道安装完成后,需沿管道轴线方向两端加支架,防止伸缩阀伸缩管拉出。
规格参数
行业分类:
机械及行业设备/阀门/流量控制阀
产品类别:
品 牌:
规格型号:
库 存:
生 产 商:
产 地:
中国福建省厦门市
快速创建集企业介绍、产品服务、直播等一体的个性旺铺
升级成企业号帮助企业搭建社交移动互联网智能营销平台
自助开通商城,将智能营销平台、直播系统流量转化成交