价格:
行业分类:机械及行业设备/阀门/流量控制阀
产品类别:
品 牌:
规格型号:
库 存:
生 产 商:
产 地:中国福建省厦门市

D671F46气动对夹衬氟塑料蝶阀@德国NOOK诺克广泛用于防腐管道系统上。主要用以实现阀门的开启、关闭与调节。全衬聚四氟乙烯(F4)、聚三氟氯乙烯(F3)和聚全氟乙丙烯(F46)氟塑料衬里阀,具有耐腐蚀、无泄漏、寿命长等优点。 适用于、硝酸、氢氟酸、王水、各种有机酸、强酸、氧化性介质或高温烯、高温浓醋酸、酸碱交替及多种有机溶剂和其它强腐蚀性介质。
1、中线蝶阀为整个蝶板与阀座在360°圆周内同心(中线),具有双向密封功能,压力,流量可自由调节;
2、四级加载弹性密封,绝对保证了阀门内、外的零泄漏;
a、轴头、蝶板园周连接处的特殊过渡曲线与阀座的合理过盈;
b、轴头端面采用弹性O型圈和轴肩处刚性垫圈、弹性橡胶垫组合;
c、轴的径向采用O型圈与金属垫的组合;
d、阀座镶在有弹性条的阀体的槽内;
3、采用可调弹性弹子定位。定位准确,结构简单。
| 设计标准 | GB12238 |
| 结构长度 | GB12221 |
| 法兰标准 | JB/T79-94 |
| GB9113.1-26 | |
| 检验试验 | GB/T13927 |
| 驱动方式 | 蜗轮、手动、电动、气动 |
| 零件名称 | 材料 |
| 上下阀体 | 铸铁、铸钢、不锈钢、衬F46、F4 |
| 阀座 | 铸钢 |
| 带杆蝶板 | 铸钢、不锈钢、衬F46、F4 |
| 填料 | F4 |
| 衬垫 | 硅橡胶 |
| 蜗轮手柄 | 球墨铸铁 |

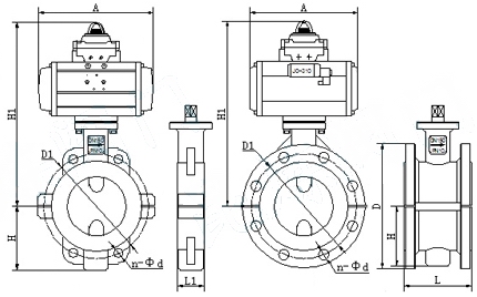
| 公称通经(DN) | 主要尺寸 | 法兰尺寸 | |||||||||
| L | L1 | H | H1 | A | 1.0MPa | 1.6MPa | |||||
| D | D1 | n-Фd | D | D1 | n-Фd | ||||||
| 50 | 108 | 43 | 63 | 315 | 180 | 165 | 125 | 4-18 | 165 | 125 | 4-18 |
| 65 | 112 | 46 | 70 | 330 | 180 | 185 | 145 | 4-18 | 185 | 145 | 4-18 |
| 80 | 114 | 46 | 83 | 390 | 245 | 200 | 160 | 4-18 | 200 | 160 | 8-18 |
| 100 | 127 | 52 | 105 | 431 | 240 | 220 | 180 | 8-18 | 220 | 180 | 8-18 |
| 125 | 140 | 56 | 115 | 455 | 240 | 250 | 210 | 8-18 | 250 | 210 | 8-18 |
| 150 | 140 | 56 | 137 | 626 | 350 | 285 | 240 | 8-22 | 285 | 240 | 8-22 |
| 200 | 152 | 60 | 164 | 720 | 350 | 340 | 295 | 8-22 | 340 | 295 | 12-22 |
| 250 | 165 | 68 | 206 | 800 | 550 | 395 | 350 | 12-22 | 405 | 355 | 12-26 |
| 300 | 178 | 78 | 230 | 860 | 600 | 445 | 400 | 12-22 | 460 | 410 | 12-26 |
| 350 | 190 | 78 | 248 | 883 | 600 | 505 | 460 | 16-22 | 520 | 470 | 12-26 |
| 400 | 216 | 102 | 289 | 972 | 600 | 565 | 515 | 16-26 | 580 | 525 | 16-26 |
| 450 | 222 | 114 | 320 | 1043 | 750 | 615 | 565 | 20-26 | 640 | 585 | 16-30 |
| 500 | 229 | 127 | 342 | 1098 | 750 | 670 | 620 | 20-26 | 715 | 650 | 20-30 |
| 600 | 267 | 154 | 413 | 1236 | 750 | 780 | 725 | 20-30 | 840 | 770 | 20-33 |
| 700 | 430 | 165 | 478 | 1431 | 750 | 895 | 840 | 24-30 | 910 | 840 | 24-36 |
| 800 | 470 | 190 | 525 | 1488 | 750 | 1015 | 950 | 24-33 | 1025 | 950 | 24-39 |
| 900 | 510 | 203 | 585 | 1615 | 1250 | 1115 | 1050 | 28-33 | 1125 | 1050 | 28-39 |
| 1000 | 550 | 216 | 640 | 1765 | 1500 | 1230 | 1160 | 28-36 | 1255 | 1170 | 28-42 |
| 1200 | 630 | 254 | 755 | 1976 | 1500 | 1455 | 1380 | 32-39 | 1485 | 1390 | 32-48 |
规格参数
行业分类:
机械及行业设备/阀门/流量控制阀
产品类别:
品 牌:
规格型号:
库 存:
生 产 商:
产 地:
中国福建省厦门市
快速创建集企业介绍、产品服务、直播等一体的个性旺铺
升级成企业号帮助企业搭建社交移动互联网智能营销平台
自助开通商城,将智能营销平台、直播系统流量转化成交